Thiết kế sơ đồ điện nhà xưởng đạt tiêu chuẩn 2026
Khi thiết kế nhà xưởng chủ đầu tư quan tâm đến điều gì? Một trong những khâu thiết kế nhà xưởng được chủ đầu tư giành nhiều tâm huyết nhất chính là thiết kế hệ thống điện nhà xưởng, cụ thể là sơ đồ điện nhà xưởng. Trong nội dung bài viết dưới đây, HALEDCO xin được chia sẻ đến khách hàng những thông tin liên quan đến thiết điện nhà xưởng quan trọng nhất.
Mục lục
1. Tiêu chuẩn thiết kế điện nhà xưởng đạt chuẩn
1.1 Cơ sở pháp lý
- TCVN 7447-5-51:2010: tiêu chuẩn về hệ thống lắp đặt mạng điện hạ áp, tương đương với IEC 60364-5-51:2005.
- TCVN 394:2007: tiêu chuẩn về thiết kế lắp đặt trang thiết bị điện.
- Quyết định số 19/2006/QĐ-BCN: quy phạm trang bị điện 2006.
- QCVN 01:2008/BCT: quy chuẩn kỹ thuật về an toàn điện cấp quốc gia.
- QCVN 12:2014 Quy chuẩn kỹ thuật quốc gia về hệ thống điện của nhà ở và công trình.
- QCVN QTĐ-08:2010/BCT Quy chuẩn kỹ thuật điện hạ áp để đảm bảo an toàn trong quá trình sử dụng.
- TCVN 9206:2012 Đặt thiết bị điện trong nhà ở và công trình công cộng - Tiêu chuẩn thiết kế.
- TCVN 9207:2012 Đặt đường dẫn điện trong nhà ở và công trình công cộng - Tiêu chuẩn thiết kế.
- TCVN 9208:2012 Lắp đặt cáp và dây dẫn điện trong các công trình công nghiệp.
1.2 Quy định chung về an toàn kỹ thuật điện
Căn cứ theo QCVN QTĐ 8:2010/BCT và Thông tư 04/2011/TT-BCT.
Yêu cầu chính:
- Chống giật: Ngăn tiếp xúc trực tiếp & gián tiếp.
- Chống nhiệt: Tránh quá nhiệt, tia lửa gây cháy nổ.
- Chống quá dòng & sự cố: Lắp cầu dao, aptomat, thiết bị bảo vệ.
- Chống quá điện áp: Tự ngắt khi điện áp vượt mức.
Hệ thống điện nhà xưởng phải được kiểm tra, bảo dưỡng định kỳ và kết hợp PCCC để giảm thiểu rủi ro. Bên cạnh đó, hệ thống chiếu sáng sự cố và đèn exit lắp đặt bằng dây xích treo đèn exit cũng cần được bố trí tại lối thoát hiểm để đảm bảo an toàn PCCC.
1.3 Tiêu chuẩn thiết kế bản vẽ điện nhà xưởng
Nguyên tắc: khi làm bản vẽ điện nhà xưởng phải đảm bảo dễ đọc, dễ hiểu, đúng ký hiệu & tỉ lệ.
Các tiêu chuẩn áp dụng:
- TCVN 5699-1:2010 (thiết bị an toàn).
- TCVN 8241-4-2:2009 / IEC 61000-4-2:2001 (tương thích điện từ).
- TCVN 7922:2008 / IEC 60617:2002 (ký hiệu điện).
- TCXDVN 319:2004 (tiếp địa).
- TCVN 3715:82 (trạm biến áp).
Yêu cầu bản vẽ:
- Tính toán chính xác công suất & điện năng.
- Đảm bảo an toàn thi công, bố trí lối thoát hiểm hợp lý.
- Đưa ra phương án tiết kiệm điện năng.
Ngoài ra, hệ thống chiếu sáng cho khu vực sản xuất cũng cần tuân thủ tiêu chuẩn chiếu sáng nhà xưởng để đảm bảo độ rọi, an toàn thị lực và hiệu suất làm việc.
1.4 Tiêu chuẩn lắp đặt tủ điện nhà xưởng
Vật liệu: tủ điện phải làm từ Inox phủ sơn tĩnh điện, 1–2 lớp cửa.
Nguồn vào: 1 pha 220V hoặc 3 pha 380V; dòng định mức 10–6300A.
Kích thước tham khảo: Một tủ điện đạt chuẩn nên có kích khoảng tham khảo khoảng chiều cao 1–2m; rộng 0,5–1,8m; dày 0,3–0,8m.
Để đảm bảo hệ thống hoạt động an toàn và ổn định, bạn nên lựa chọn đơn vị lắp tủ điện công nghiệp tuân thủ các tiêu chuẩn IEC 60439-1, IEC 60947-2 và IEC 61641.
Quy chuẩn áp dụng:
- IEC 60439-1 (lắp ráp tủ).
- IEC 60947-2 (đóng cắt hạ thế).
- IEC 61641 (ngăn sự cố hồ quang, cấp bảo vệ).
1.5 Tiêu chuẩn định mức lắp đặt thang, máng cáp điện
Vật liệu: Thép mạ kẽm, inox 304, nhôm (chống gỉ, bền).
Thông số kỹ thuật:
- Độ dày: 1–2.5mm.
- Khoảng cách giá đỡ: 1,2–2m.
- Bán kính cong: R=400mm (Ø<100mm), R=600mm (100–160mm).
- Tải trọng: độ võng ≤ 1/300 nhịp.
Quy chuẩn áp dụng: TCVN 9208:2012.
Yêu cầu:
- Đi dây gọn gàng, có phụ kiện bảo vệ (cút, tê, nắp đậy…).
- Hệ thống điện cần lắp đặt – tháo lắp thuận tiện cho bảo trì, sửa chữa.
Khi lắp đặt điện nhà xưởng, việc bố trí thang, máng cáp đúng tiêu chuẩn sẽ giúp đường dây gọn gàng, dễ bảo trì và hạn chế tối đa nguy cơ chập cháy.
2. Quy trình thiết kế điện nhà xưởng chuẩn
Thiết kế hệ thống điện nhà xưởng cần tuân thủ quy trình rõ ràng để đảm bảo an toàn – hiệu quả – tiết kiệm chi phí. Gồm 5 bước cơ bản:
Bước 1: Xác định phụ tải tính toán
Mục đích: Tính toán chính xác nhu cầu điện năng của toàn bộ hệ thống (máy biến áp, thiết bị đóng cắt, dây dẫn...).
Ý nghĩa:
- Tránh tình trạng chọn công suất thừa gây lãng phí.
- Tránh công suất thiếu dẫn tới quá tải, chập điện, giảm tuổi thọ thiết bị.
Kết quả: Xác định được công suất cần thiết và phương án bù phản kháng hợp lý. Chủ đầu tư cũng cần tham khảo thêm cách tính tiền điện sản xuất mới nhất để có kế hoạch dự trù chi phí vận hành tối ưu.
Bước 2: Thiết kế mạng điện cao áp
Vai trò: Dẫn điện từ nguồn quốc gia đến trạm biến áp nhà xưởng.
Điện áp thường dùng: 35kV, 110kV, 220kV, 500kV.
Yêu cầu:
- Cột điện cao ≥18m, vật liệu bê tông ly tâm, tháp sắt hoặc gỗ thông.
- Đảm bảo chịu lực, độ bền cao, truyền tải điện ổn định.
Bước 3: Thiết kế mạng điện hạ áp
Điện áp: 0–1kV, phổ biến 220V – 380V.
Cấu tạo: Dây cáp xoắn cách điện, gắn trên cột qua kẹp treo/sứ.
Nguyên tắc thiết kế:
- Xác định vị trí tủ điện điều khiển và sơ đồ đi dây.
- Phân phối điện hợp lý theo khu vực sản xuất.
- Thuận tiện cho bảo trì và nâng cấp.
Bước 4: Thiết kế điện chiếu sáng
Công việc: Tính toán chiếu sáng nhà xưởng, lựa chọn loại đèn và bố trí vị trí lắp đặt.
Yêu cầu:
- Đảm bảo môi trường làm việc đủ sáng, an toàn cho công nhân.
- Tối ưu hiệu quả chiếu sáng, tiết kiệm năng lượng và chi phí vận hành.
HALEDCO chuyên cung cấp các dòng đèn LED chiếu sáng nhà xưởng chất lượng cao chính hãng, tiết kiệm điện. Công suất đèn được sử dụng nhiều nhất cho các nhà máy lớn ở khu công nghiệp hiện nay đó là: Đèn chiếu sáng nhà xưởng 250w . Công suất cao với độ rọi mạnh, đáp ứng ánh sáng theo tiêu chuẩn quy định.
Bước 5: Tính toán, thiết kế bù công suất
Vai trò: Ổn định điện áp, giảm tổn thất, tránh quá tải.
Thực hiện:
- Tính nhu cầu công suất phản kháng.
- Chọn tủ bù công suất phù hợp cho từng động cơ/khu vực.
- Bố trí vị trí lắp đặt tối ưu, dễ bảo trì và đạt hiệu quả tiết kiệm điện cao.
3. Quy trình thi công điện nhà xưởng chi tiết
Giai đoạn 1: Chuẩn bị lắp đặt điện
- Xác định yêu cầu: Nghiên cứu bản vẽ thiết kế, tính toán nhu cầu điện, vị trí lắp đặt.
- Chọn nhà thầu: Ưu tiên đơn vị uy tín, nhiều kinh nghiệm, đảm bảo chất lượng & an toàn.
- Chuẩn bị vật tư, thiết bị: Chọn hàng đạt chuẩn kỹ thuật, nguồn gốc rõ ràng.
- Thủ tục pháp lý: Xin giấy phép thi công điện theo quy định.
- Báo cáo tiến độ: Định kỳ gửi báo cáo cho cơ quan quản lý (nếu yêu cầu).
Giai đoạn 2: Thi công xây dựng nhà xưởng
Lắp đặt hệ thống dây dẫn:
- Dây chính: từ nguồn điện → tủ điện tổng.
- Dây nhánh: từ tủ tổng → tủ phân phối.
- Dây đến thiết bị: ổ cắm, công tắc, đèn,…
Lắp đặt tủ điện:
- Tủ điện tổng tại điểm nguồn vào.
- Tủ điện phân phối ở từng khu vực/xưởng.
- Bố trí thiết bị trong tủ: aptomat, cầu dao, rơ le,…
Lắp đặt thiết bị điện:
- Ổ cắm, công tắc, hệ thống chiếu sáng. Khi lắp hệ thống chiếu sáng, cần thực hiện đúng cách đấu bóng đèn công nghiệp theo sơ đồ thiết kế để đảm bảo đèn hoạt động ổn định, không quá tải và dễ kiểm tra khi gặp sự cố.
- Các thiết bị khác: quạt, máy lạnh, máy móc sản xuất.
Kiểm tra hệ thống điện:
- Đảm bảo không rò rỉ, không chập cháy.
- Kiểm tra vận hành thử các thiết bị.
Giai đoạn 3: Nghiệm thu và bàn giao
- Nghiệm thu: Kiểm tra theo quy trình & tiêu chuẩn kỹ thuật, lập biên bản nghiệm thu.
- Bàn giao: Chuyển giao hệ thống điện cho chủ đầu tư.
- Hướng dẫn sử dụng & bảo trì: Đảm bảo chủ đầu tư biết cách vận hành, bảo dưỡng an toàn.
4. Các bước vẽ sơ đồ điện nhà xưởng
4.1 Tính toán số liệu
Thu thập số liệu, chuyển từ khảo sát thi công nhà xưởng sang giai đoạn thực tế. Yêu cầu chủ đầu tư, kỹ sư tiến hành tính toán công suất trong hệ thống.
Điều quan trọng nhất là khách hàng cần phải tính toán được chính xác số liệu. Phân chia rõ ràng các khu vực sản xuất, bãi kho, phòng nghỉ… tránh tối đa các trường hợp chập, cháy, mất an toàn về điện.
Tránh trường hợp cung cấp không đủ hoặc thừa điện năng, mất công bằng tải điện dẫn đến hao phí và hỏng máy thiết bị điện.
4.2 Dự toán thiết bị sử dụng điện
Kỹ sư điện lên dự trù khối lượng công việc và số lượng các vật tư cần sử dụng.
Đưa ra khối lượng kế hoạch, lựa chọn trang thiết bị đầu tư, để đáp ứng yêu cầu chủ đầu tư. Vừa giúp tiết kiệm điện và giúp tiết kiệm chi phí.
Sau khi dự toán được số lượng thiết bị điện, gửi bản tổng hợp cho các doanh nghiệp. Hai bên thống nhất và tiến hành thi công. Đơn vị thi công phải có trách nhiệm báo cáo và tự chịu tất cả các chi phí phát sinh.
4.3 Lên bản kế hoạch sơ đồ điện
- Kỹ sư điện hoàn thiện và kiểm tra lại toàn bộ hệ thống, đồng thời có thể tham khảo và download bản vẽ cad điện nhà xưởng công nghiệp để đối chiếu với thiết kế thực tế.
- Đảm bảo đủ yêu cầu kỹ thuật theo như khách hàng đã yêu cầu hay chưa.
- Xem lại cách bố trí đường dây điện, trang thiết bị từng khu vực.
- Xem chi tiết cách đi dây và đấu nối điện.
5. Mẫu sơ đồ điện nhà xưởng thông dụng
5.1 Sơ đồ điện nhà xưởng 1 tầng


Bản vẽ điện nhà xưởng 1 tầng cũng phù hợp cho hệ thống nhà xưởng có cầu trục.
5.2 Sơ đồ điện nhà xưởng 2 tầng

5.3 Một số sơ đồ điện nhà xưởng thực tế



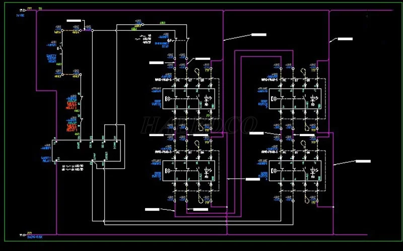
6. Bản vẽ hệ thống điện nhà xưởng
6.1 Đặc điểm
Bản vẽ hệ thống điện nhà xưởng thể hiện toàn bộ cấu trúc phân phối điện trong nhà xưởng, bao gồm sơ đồ tủ điện, đường dây, vị trí ổ cắm, chiếu sáng và các thiết bị bảo vệ.
Đặc điểm nổi bật là yêu cầu độ chính xác cao, bố trí khoa học, tuân thủ tiêu chuẩn an toàn điện công nghiệp và đảm bảo khả năng vận hành – bảo trì thuận tiện. Các bản vẽ luôn đi kèm ký hiệu kỹ thuật, ghi chú và chi tiết lắp đặt để kỹ sư thi công dễ dàng triển khai.

6.2 Các bản vẽ hệ thống điện nhà xưởng





6.3 Cách đọc bản vẽ điện công nghiệp
Khi đọc bản vẽ điện nhà xưởng, cần tập trung vào 5 nội dung chính:
- Ký hiệu điện – nhận biết ký hiệu công tắc, ổ cắm, tủ điện, CB, phụ tải, dây dẫn…
- Sơ đồ nguyên lý – hiểu cách dòng điện phân phối từ nguồn tới các tải.
- Sơ đồ mặt bằng – xem vị trí thiết bị điện, đèn, ổ cắm, đường dây thực tế trong xưởng.
- Thông số kỹ thuật – đọc chú thích về tiết diện dây, công suất, loại thiết bị.
- Sơ đồ đấu nối – nắm cách nối dây giữa các thiết bị để thi công đúng chuẩn.
Khi hiểu rõ các phần trên, người đọc có thể dễ dàng kiểm tra thiết kế, thi công và đảm bảo vận hành hệ thống điện an toàn, hiệu quả.
7. Công cụ thiết kế sơ đồ điện
7.1 Công cụ autocad
- Công cụ autocad thực hiện linh hoạt. Có mô hình 3D chân thực. Bóc tách và hợp nhất các chi tiết dễ dàng nhất.
- Có thể nói công cụ autocad hiện nay đang được các kỹ sư thiết kế mô hình 3D sử dụng nhiều nhất hiện nay. Trong đó có các kỹ sư ngành điện.
7.2 Công cụ Sketch
- Công cụ Sketch cho phép chỉnh sửa mọi chi tiết trong bản thiết kế. Độ chính xác của công cụ được tính trên pixel.
- Người dùng còn có thể thiết kế đồ họa vector, cho phép sử dụng preset dễ dàng xuất code.
7.3 Công cụ corel
- Công cụ corel thiết kế giao diện thân thiện, nhiều phím hỗ trợ tiện dụng, trực quan người dùng tiết kiệm thời gian…
- Corel có đầy đủ các chức năng cắt ghép ảnh, bitmap, chỉnh sửa nhanh chóng, hỗ trợ quá trình in ấn sản phẩm sau khi đã thiết kế.
8. Câu hỏi thường gặp
Câu 1: Mục đích của thiết kế điện nhà xưởng là gì?
Tuân thủ điện: Hiểu được ngôn ngữ từ, ký hiệu, biểu tượng được thể hiện chi tiết trên bản vẽ nhà xưởng. Bao gồm cả cách bố trí đường đi dây điện để các kỹ sư, kỹ thuật viên có thể dễ dàng thi công thực hiện điện.
Đáp ứng tiêu chuẩn điện của nhà nước: Từ tiêu chuẩn thiết kế điện nhà xưởng được đề ra sẽ là tiêu chí để các doanh nghiệp thiết kế nhà xưởng dựa theo thiết kế nhà xưởng. Là thước đo để đánh giá chất lượng điện nhà xưởng. Từ đó bắt buộc mọi bản vẽ điện công nghiệp đều phải áp dụng.
An toàn vận hành điện: Trong quá trình lắp đặt điện các kỹ sư điện phải tính toán số liệu, thiết bị điện, tủ điện của từng loại khu vực, công suất điện. Điện tải được thiết kế đảm bảo các thiết bị hoạt động hiệu quả, đạt hiệu suất cao nhất. Tại mỗi khu vực cần phải tuân thủ các quy định về an toàn điện, an toàn lao động, phòng chống cháy nổ.
Tiết kiệm chi phí: Hạn chế tối đa việc lắp lại các thiết bị. Gây ảnh hưởng đến tiến độ thi công. Đồng thời tiết kiệm tối đa chi phí trong quá trình thi công đến quá trình vận hành sau này.
Câu 2: Hệ thống điện trong nhà xưởng yêu cầu những gì?
Hệ thống điện trong nhà xưởng cần đảm bảo các yêu cầu sau:
- Độ tin cậy: Cung cấp điện liên tục, ổn định để không làm gián đoạn sản xuất.
- Chất lượng điện: Điện áp và tần số luôn trong giới hạn cho phép, tránh gây hư hại máy móc.
- Độ an toàn: Bảo vệ người lao động, thiết bị và nhà xưởng khỏi nguy cơ điện giật, cháy nổ.
- Hiệu quả chiếu sáng: Đảm bảo đủ ánh sáng cho sản xuất, tiết kiệm năng lượng, bảo vệ thị lực công nhân.
- Khả năng mở rộng: Dễ dàng nâng cấp, bổ sung khi nhà xưởng mở rộng quy mô sản xuất.
- Tính kinh tế: Tối ưu chi phí đầu tư, vận hành và bảo trì, đồng thời tiết kiệm điện năng lâu dài.
Câu 3: Sơ đồ điện nhà xưởng cần đáp ứng gì?
Sơ đồ điện nhà xưởng phải đáp ứng các yêu cầu sau:
- Đảm bảo tính dễ đọc, dễ hiểu: Thể hiện rõ ràng, ký hiệu đúng chuẩn, giúp kỹ sư và công nhân dễ dàng thi công, lắp đặt và bảo trì.
- Đáp ứng các tiêu chuẩn nhà nước: Tuân thủ đầy đủ các tiêu chuẩn, quy chuẩn kỹ thuật điện theo TCVN/IEC để đảm bảo tính pháp lý và chất lượng.
- Tính toán về mức độ hiệu quả: Cho phép xác định chính xác công suất, phụ tải, khả năng phân phối điện hợp lý, tránh lãng phí và tối ưu chi phí vận hành.
- Cam kết tính an toàn: Đảm bảo hệ thống điện không gây rò rỉ, quá tải, cháy nổ; bảo vệ an toàn cho con người, thiết bị và toàn bộ nhà xưởng.
Câu 4: Đơn giá thiết kế điện nhà xưởng là bao nhiêu?
Thiết kế hệ thống cơ điện (M&E – bao gồm điện, chiếu sáng, ổ cắm, chống sét...)
Nhiều đơn vị cung cấp dịch vụ thiết kế hệ thống cơ điện cho các công trình như nhà xưởng, nhà máy ước tính khoảng 2.000 – 4.000 đ/m², trong đó:
- Giai đoạn thiết kế cơ sở: 2.000 – 3.000 đ/m²
- Giai đoạn thiết kế thi công: 3.000 – 4.000 đ/m².
Thiết kế nhà xưởng trọn gói (bao gồm cả kiến trúc, kết cấu, hệ thống điện – nước…)
Các báo giá cập nhật cho thiết kế toàn diện dao động: 30.000 – 80.000 đ/m², tùy theo quy mô, yêu cầu kỹ thuật và đơn vị thực hiện.
Thiết kế nhà xưởng riêng lẻ (kiến trúc, kết cấu, không bao gồm M&E chi tiết)
Giá phổ biến theo loại cấu trúc và diện tích:
- Nhà xưởng tiền chế: 15.000 – 30.000 đ/m²
- Nhà xưởng bê tông cốt thép: 30.000 – 45.000 đ/m²
- Kết hợp văn phòng: đến 60.000 đ/m²
- Có mẫu theo diện tích (nhỏ hơn 2.000 m² thường cao hơn vài nghìn đồng so với nhà xưởng lớn).
Thiết kế chi tiết hệ thống điện trong nhà xưởng công nghiệp (không đi kèm phần kiến trúc/kết cấu)
Các nguồn tham khảo chi tiết chỉ ghi chung mức thiết kế hệ thống cơ điện như phần 1 ở trên, nên có thể xem đó là giá tham khảo phù hợp nếu chỉ thiết kế bản vẽ điện riêng.
Ngoài đơn giá thiết kế điện, chủ đầu tư cũng thường quan tâm đến tổng mức đầu tư xây dựng, ví dụ như chi phí xây nhà xưởng 500m2 để có kế hoạch tài chính phù hợp; nhiều chủ đầu tư cũng quan tâm đến vấn đề tài chính lâu dài như nhà xưởng khấu hao bao nhiêu năm để tính toán hiệu quả đầu tư.
Lưu ý:
Mức giá đều là tham khảo, có thể thay đổi tùy:
- Diện tích nhà xưởng, độ phức tạp thiết kế.
- Loại kết cấu (tiền chế, bê tông, kết hợp...).
- Yêu cầu về hệ thống kỹ thuật (điện – nước – HVAC – tự động hóa...).
- Vị trí địa lý (Hà Nội, TP.HCM, vùng xa...) và quy mô dự án (nhỏ hay lớn để giảm đơn giá theo quy mô).
- Một số đơn vị sẽ điều chỉnh giá thực tế khi khảo sát hoặc có yêu cầu nâng cao như yêu cầu PCCC, điều hòa, chiếu sáng đặc thù…
Ngoài sơ đồ điện nhà xưởng, công ty HALEDCO còn tư vấn hướng dẫn thiết kế nhà xưởng, khách hàng có thể tham khảo thêm. Thường xuyên cập nhập haledco.com để biết thêm nhiều thông tin bổ ích khi thiết kế nhà xưởng.